24V汽车冷柜风幕机说明书DC24M1
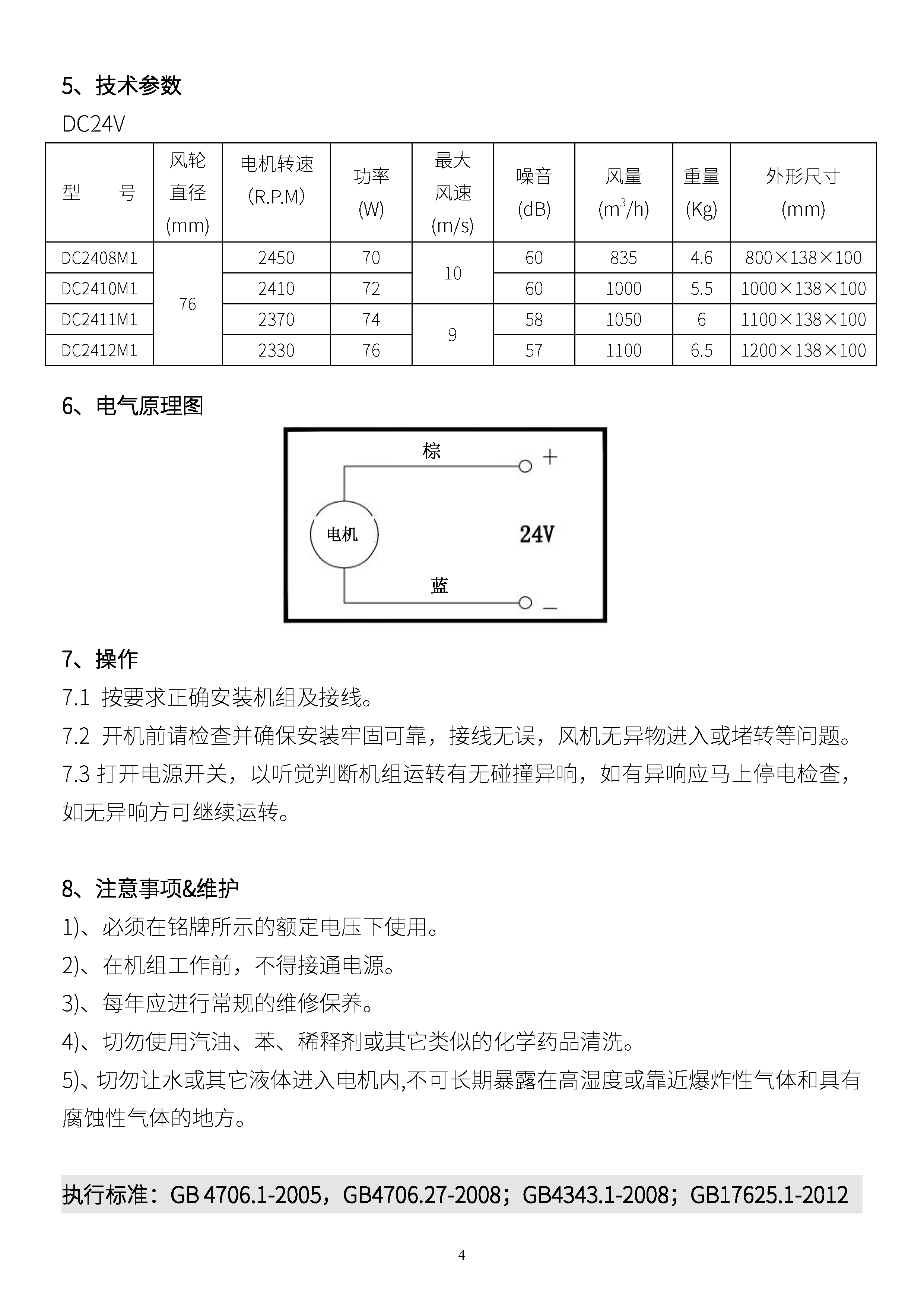
2024-04-12