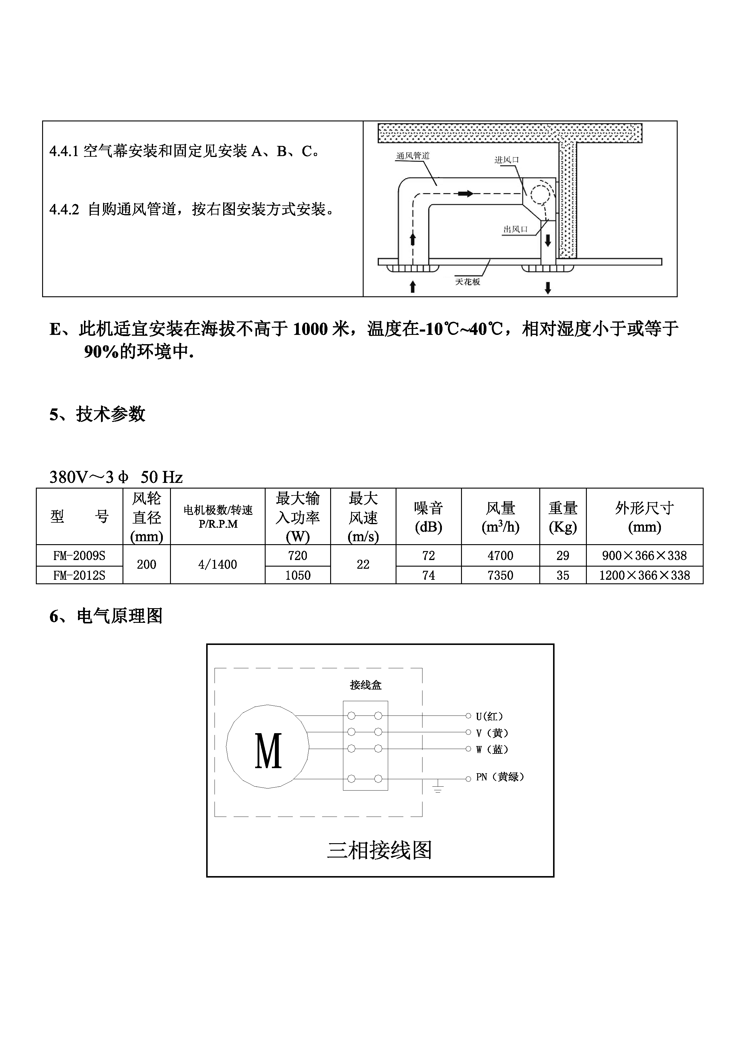
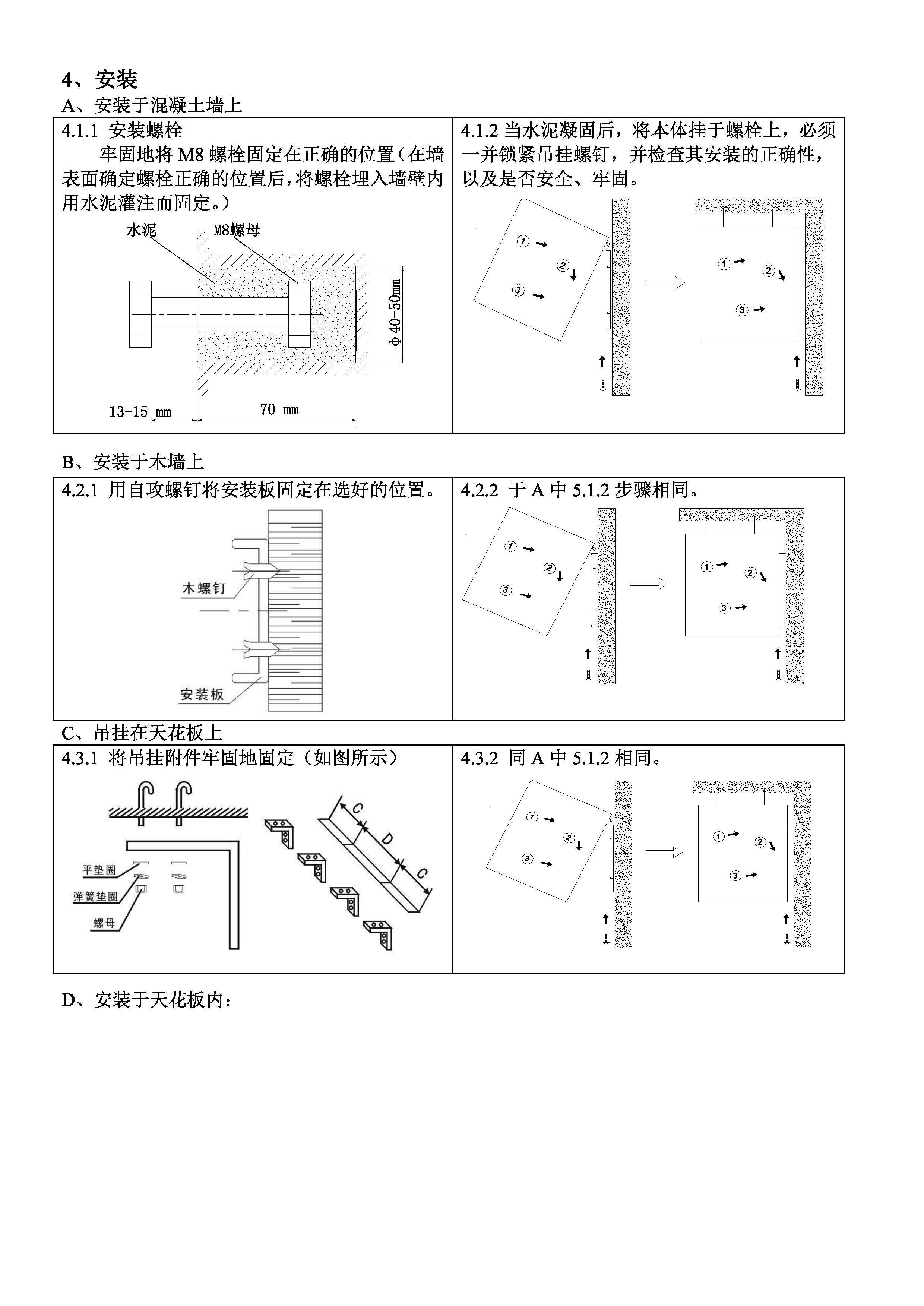
FM-20S工业型超大风量风幕机说明书
2018-03-12