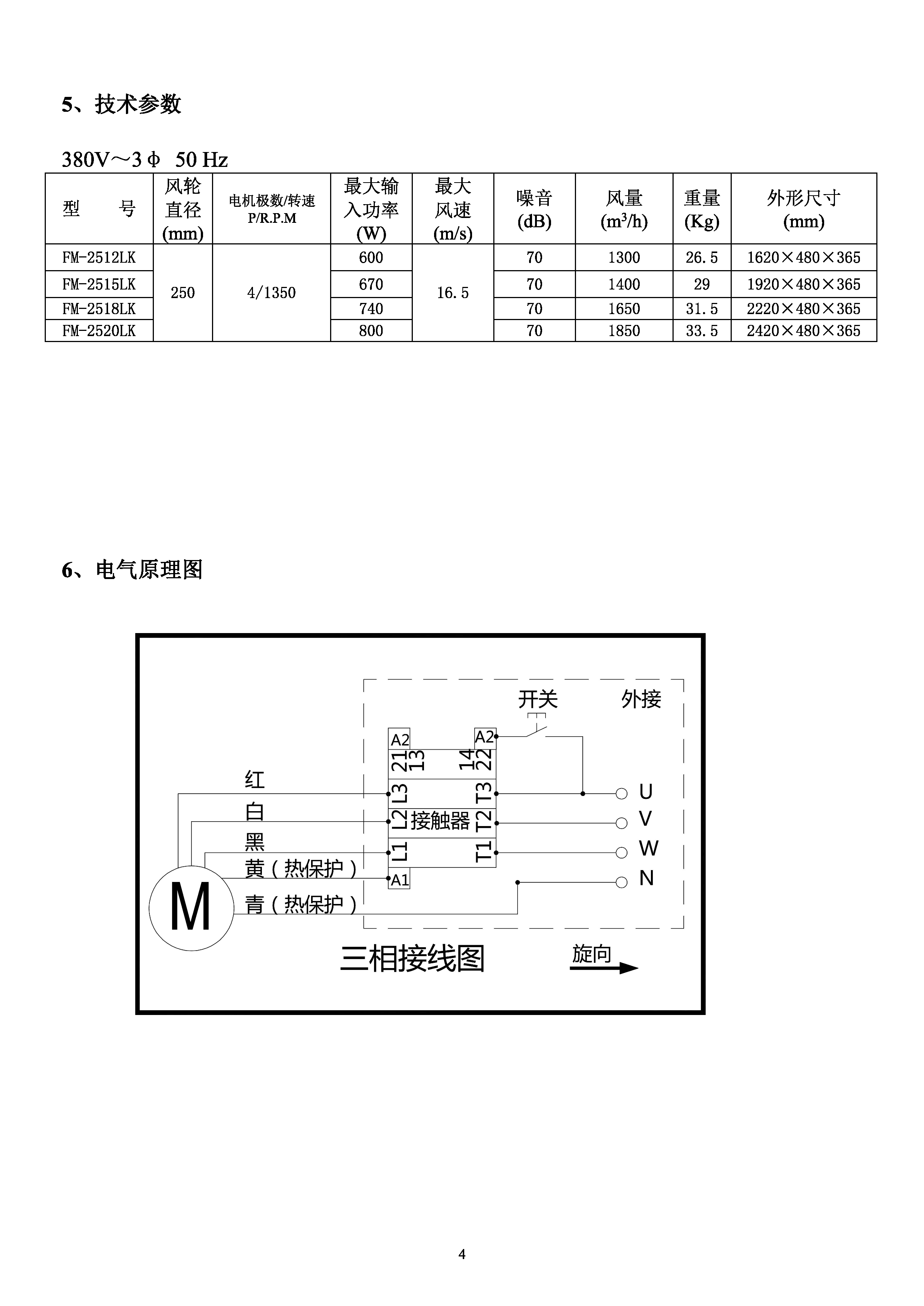
FM-25LK冷库门离心风幕机
2018-03-12