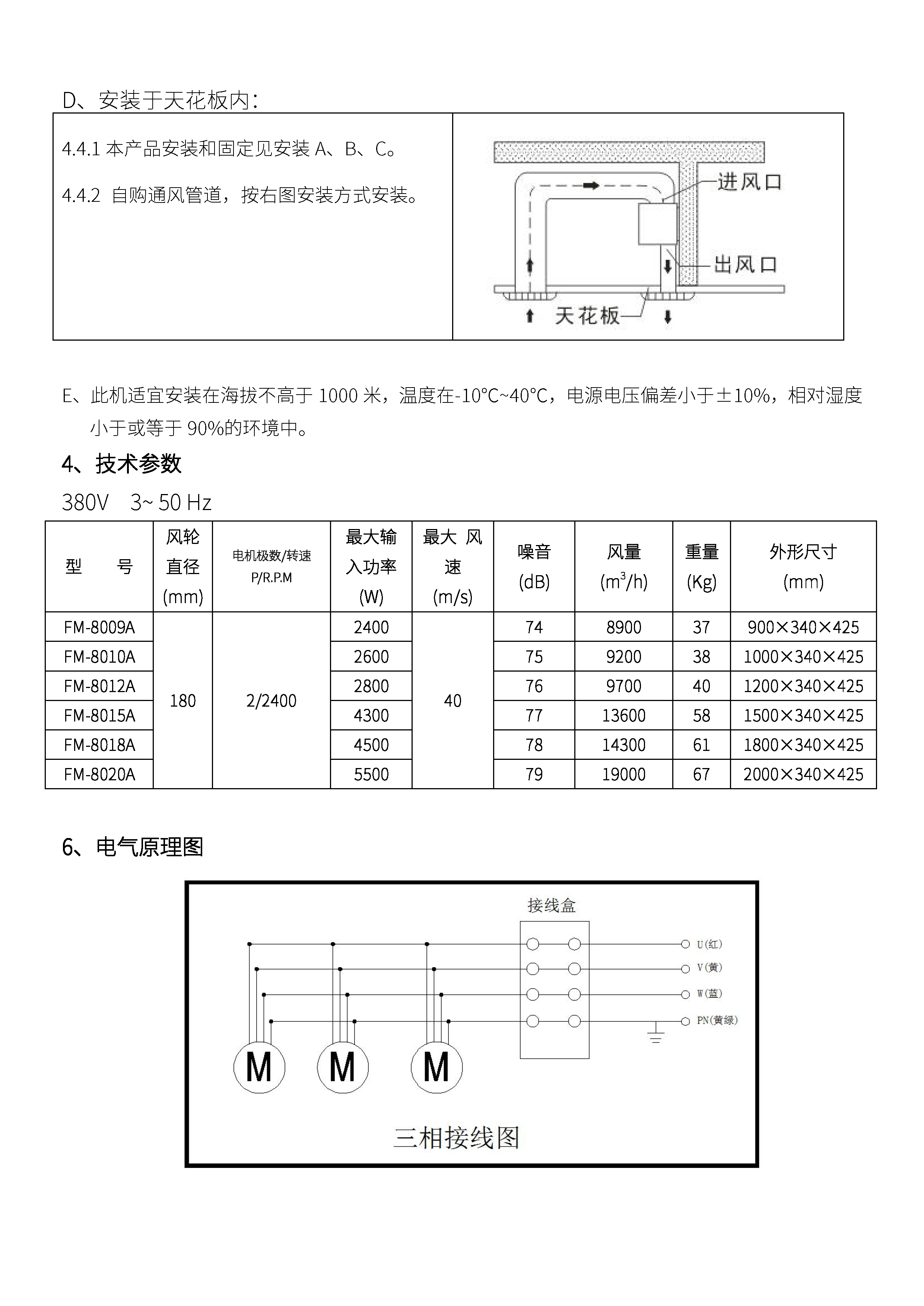
工业型离心风幕机80A说明书
2025-6-16