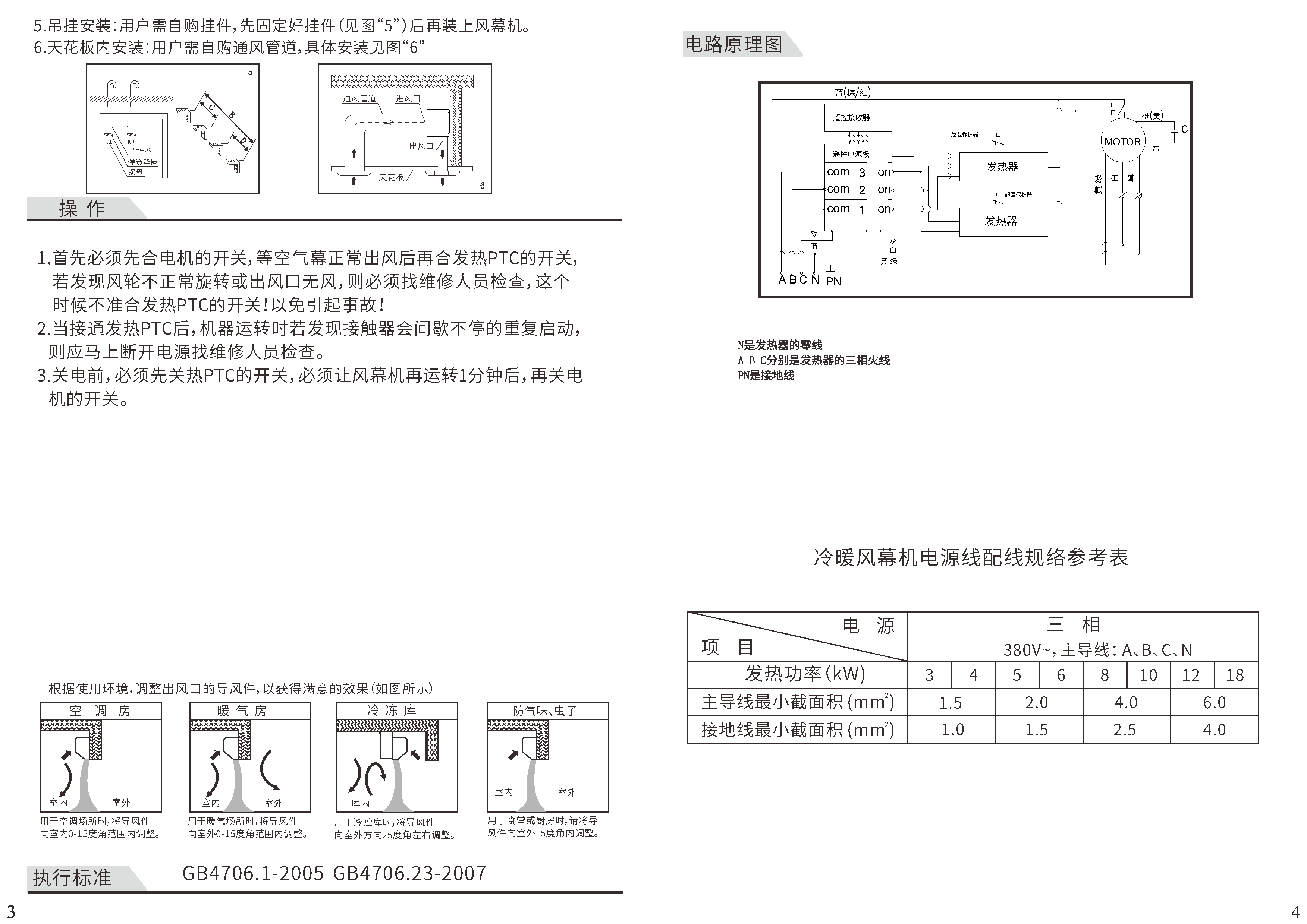
4G热风幕说明书
2024-12