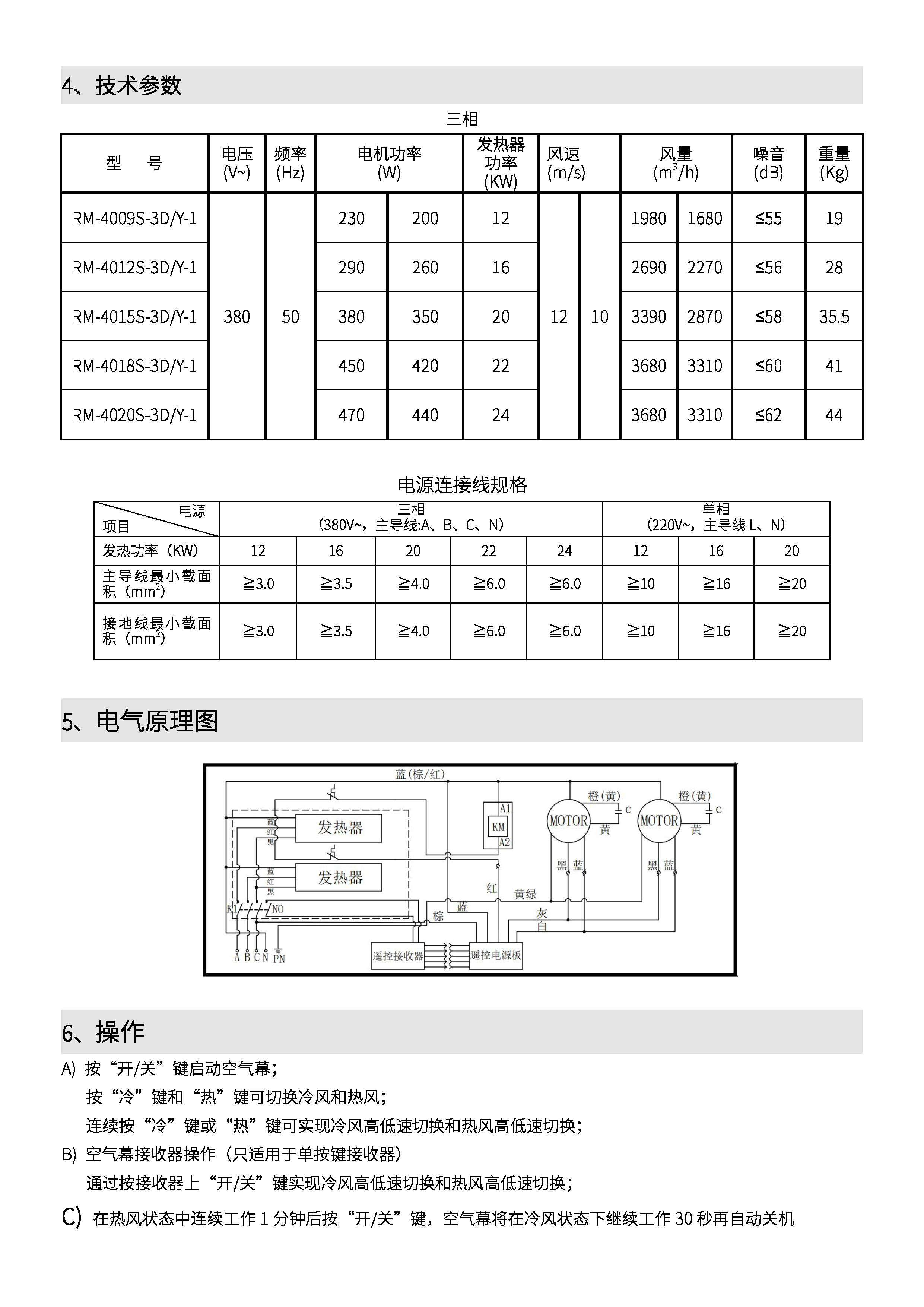
40S离心式大功率热风幕机说明书
2024-12