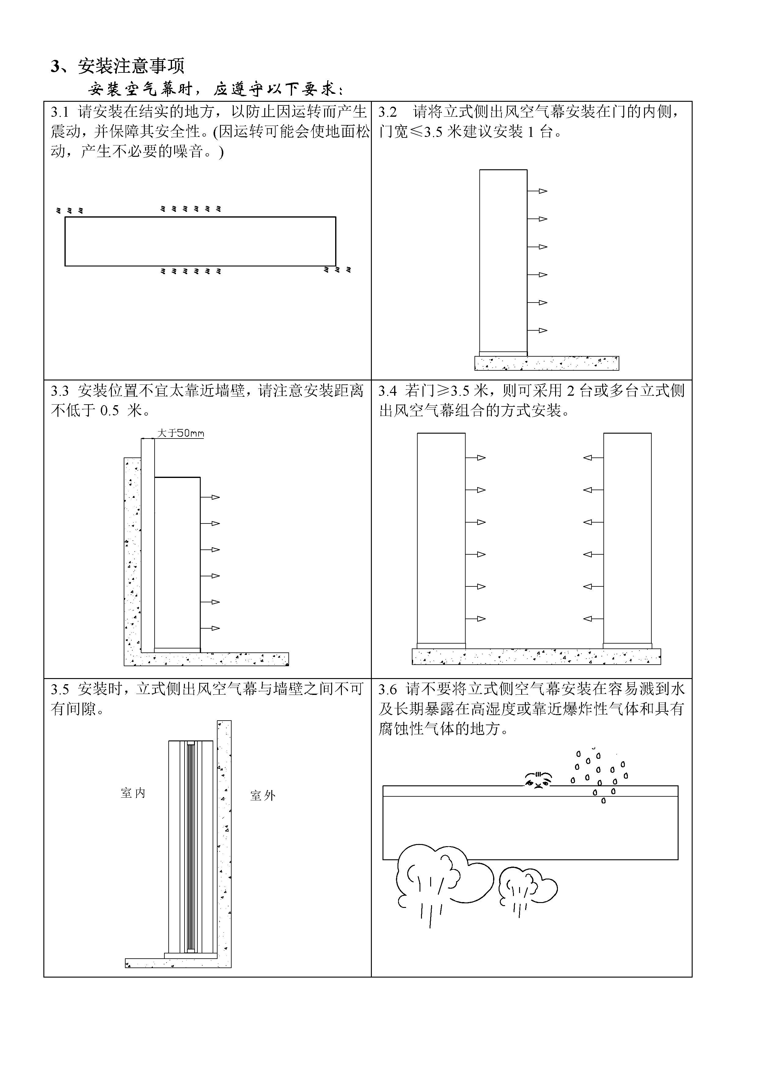
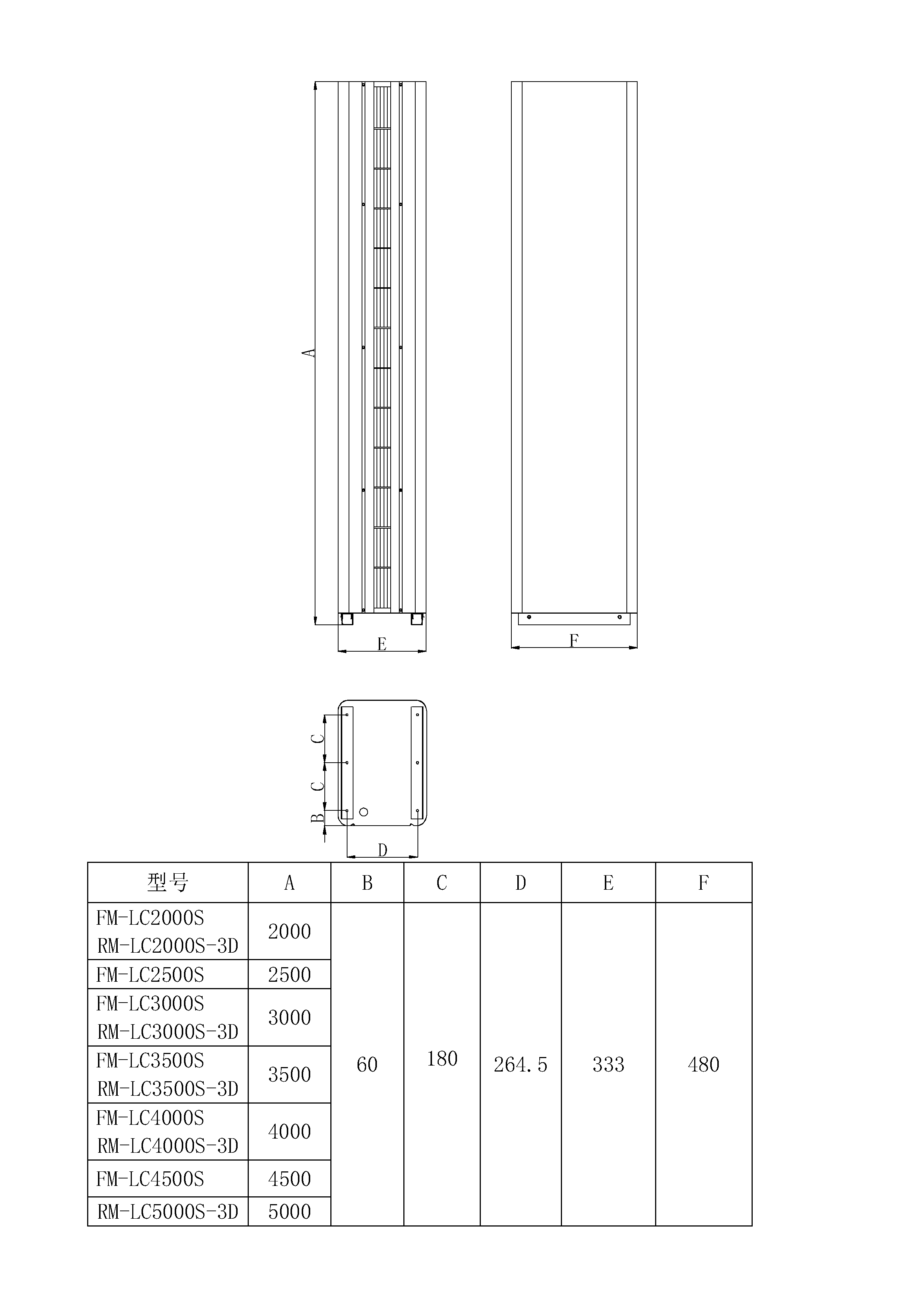
立式侧吹电热风幕机(RM-LC2000S/2500S/3000S/3500S/4000S/4500S/5000S)
2022-09-06